同城楼风信信息,成都一品凤楼论坛,成都桑拿论坛成都伴闲论坛,风楼阁全国信息交友平台

新闻中心

专注于工业领域,不断创新,为客户提供更加专业、优质、先进的产品和服务

SCROLL DOWN

MSTN技术推荐—— 低能耗二氧化碳捕集技术!

发布时间:2025-07-16

一、碳捕集的技术介绍

燃烧后脱碳技术可以分为物理吸收法、化学吸收法、膜分离法、低温蒸馏法、吸附法等,其中最常用的是化学吸收法。对于中等或较低二氧化碳分压的场景通常选用化学吸收法,该方法具有技术成熟、运行稳定、选择性高、应用广泛、溶剂可再生、反应速度快、气体回收纯度高等优点。

 

、我公司的技术介绍

2.1按规模大小分类:

1)F系列撬装小规模

 

 

 

2)P系列工程现场大型项目—大规模工业化

 

2.2我公司的业务范围:

包括工艺包设计、技术服务、设备撬装和设备研发制造、高效药剂和材料等。

 

2.3部分项目业绩:

公司以CCUS团队为班底、联合其他专业精兵已完成10万吨/年碳捕集工艺包一项,工艺包设计指标先进。完成200标方和千吨级碳捕集设备供货项目4套,已投产项目运行良好,主要技术指标处于国内领先水平,是我公司在二氧化碳捕集领域的又一次突破,为我国能源行业的绿色低碳转型发展贡献力量。

 

化学吸收法的重点介绍

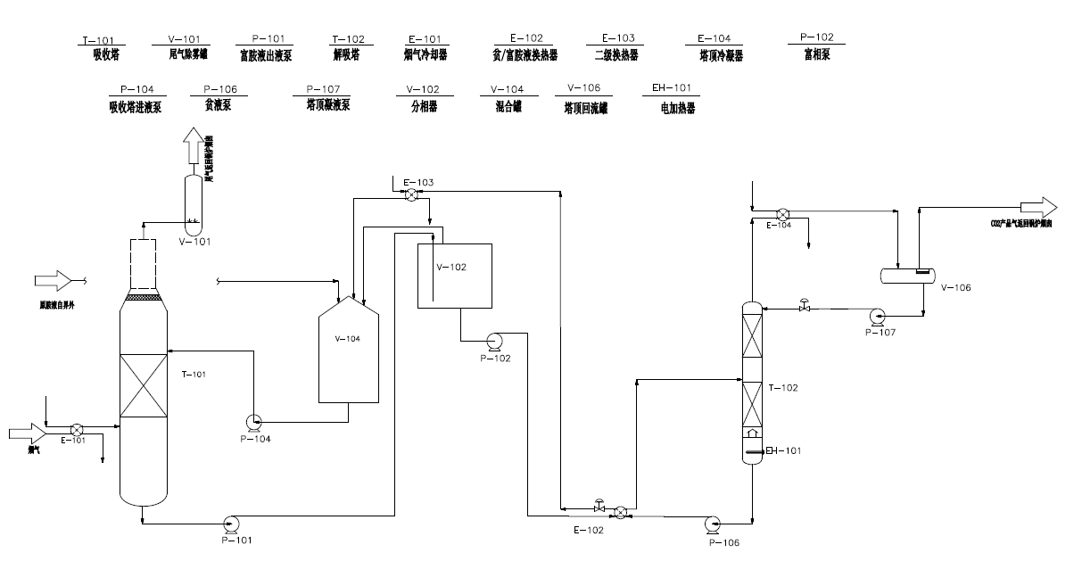
3.1流程:

 

 

 

上游装置来的低浓度CO2气体,经过预处理,从吸收塔底部进入。在吸收塔内与吸收剂发生反应后,富液由塔底排出进入分相器分为富相液和贫相液。其中的富相液有两个去向,大部分的富相液经贫液/富液换热器及气液换热器换热后升温,然后进入解吸塔受热分解释放CO2,经冷凝分离CO2,压缩后作为CO?产品。少部分富相液与解吸塔顶的冷凝回流液混合后从解吸塔顶进入。解吸塔底排出的贫液经贫液/富液换热器及贫液冷却器换热后降温,然后进入贫液罐,贫液罐的胺液进入吸收塔循环吸收CO2

 

3.2节能降耗的设计:

级间冷却:级间冷却是从吸收塔高温段抽取吸收液,经循环水冷却到一定温度再送回吸收塔以降低吸收塔整体温度,一定程度上可提升吸收液的捕集能力。

贫富分相:相变吸收剂在吸收CO2前为均相溶剂,随着吸收过程中 CO2吸收载荷变化形成两相溶液,两相溶液在分相装置分相,分相后的贫相返回吸收塔,仅有富相被送往再生塔再生,再生能耗可大幅降低。

富液分流:吸收了CO2富液中的大部分进入贫富液换热器后再进入解吸塔,少部分与解吸塔顶蒸汽直接接触换热后进入解吸塔,这样不仅减少了解吸塔顶蒸汽冷却水用量而且降低了系统再生能耗。

闪蒸压缩(MVR):高温胺液进入低压罐进行闪蒸出的二次蒸汽经压缩机压缩为过热蒸汽,闪蒸出的二次蒸汽可替代部分新鲜蒸汽,从而实现再生能耗的降低。

富液预加热:解吸塔顶蒸汽潜热可以预热部分富液达到较高进料温度,进而降低了系统的再生能耗。

 

3.3吸收剂介绍:

相比于传统有机胺或醇胺溶剂,我公司的混合胺吸收剂及相变型吸收剂具备高吸收容量、高反应速率、低再生热耗、低溶剂损失和低腐蚀性等优点。其中的相变吸收剂吸收完CO2之后能够产生富相和贫相的分相,将富相送去贫富液换热器和解吸塔,贫相与再生后的贫液混合,经冷却后进入吸收塔循环吸收CO2。只需加热富相即可实现吸收剂再生,从而避免了传统均相吸收剂再生过程中因为加热水分所需大量汽化热,大大降低再生热耗。

不同组分的胺在一定配比、吸收温度(30~50℃)、特定CO2吸收负荷范围时形成分相。下层的富相体积占比为60%~70%,大部分的CO2富集在下层富相,解吸塔内富液循环量可减少30%~40%,解吸能耗降低。吸收剂中主要包括了主吸收剂、分相剂和活性剂,其中主吸收剂具有吸收速率快的特点;分相剂可以使吸收了CO2的富液分相,同时分相剂具有吸收容量大的特点;活化剂可以促进整个过程的CO2吸收。运行过程中相变吸收剂的分相与CO2负荷、吸收剂浓度和胺液温度等有关,太低CO2负荷和太高CO2负荷都不会分相,太低吸收剂浓度也不会分相,太低的胺液温度则会导致分相不明显。

 

 

 

 

3.4针对界位识别的创新设计:

针对分相器内贫富相分相界位识别问题,传统的检测方法包括接触式传感器(如浮球传感器)、界位计、非接触式激光或超声波检测等均不能满足对于分液位的识别需求,美斯顿致力于开发针对环保处理行业的 IoT(物联网)技术,提供一种基于AI视觉的非接触式界位分相检测系统即机器眼InteligentEye,该机器眼产品通过深度学习模型实现多场景下的自适应界位识别,并引入硬件联动系统,实现报警和控制动作,实现对不同胺液体系分相界面的高精度、实时检测及预警处理。促进传统工业的运营和维护流程数字化转型。

美斯顿机器眼InteligentEye-界位识别装置由成像单元、补光单元组成感知层硬件设备矩阵,以机器视觉控制柜进行界位图像识别、数据上报等操作,整体采用有源供电、可实现界位高度实时监测,秒级刷新,自动上报

 

 

网络拓扑图

 

 

分相识别图

 

3.5我公司的技术优势:

定制化的CO2净化度:根据工艺指标需要控制 CO2净化度,我公司CO2捕集率高达95%;

吸收容量大:我公司化学吸收剂 CO2吸收容量为1.4~3mol/kg吸收剂溶液

再生热能耗低:由于我公司脱碳溶液的吸收容量大,同等处理气量下,再生热能耗降低,每吨CO22.0~2.4GJ。

溶剂损失少:我公司脱碳溶剂的蒸气分压低,气体经冷却分离后夹带量较少。

我公司化学吸收剂腐蚀性低,设备可以长周期运行,可以降低设备材质要求从而降低设备成本。

⑥采用基于AI视觉的非接触式界位分相检测方式,与传统的检测方法相比,检测精度高,响应时间快,技术水平高。

 

3.6碳捕集技术专利

 

 

CO2捕集技术、吸收剂、催化剂及装置部分专利展示

 

四、设备制造:

集团旗下的美斯顿(江苏)技术有限公司于2020年起致力于环保治理。美斯顿(江苏)是以生产环保设备为主的通用设备制造厂家,生产车间占地约 4000平方米 , 拥有专业的技术管理团队以及高效的生产制造团队,为中国的工业企业提供快捷、高效、权威的高质量设备及服务。

 

、技术咨询热线

联系人:吴占煜

 话: 13269002803

邮箱:zhanyu.wu@mstnchina.com

网站:www.yiminghuashi.cn

 

 

返回列表
主站蜘蛛池模板: 澄城县| 独山县| 和龙市| 太保市| 北川| 太康县| 商水县| 织金县| 团风县| 鸡东县| 镇巴县| 商都县| 延安市| 吉隆县| 肥乡县| 怀宁县| 来宾市| 房山区| 卫辉市| 长宁县| 板桥市| 迁西县| 怀仁县| 伊金霍洛旗| 五台县| 东山县| 宜城市| 广水市| 芜湖市| 沂南县| 宜丰县| 赤壁市| 武川县| 五大连池市| 封开县| 郴州市| 江都市| 江源县| 定襄县| 简阳市| 台安县|